设为首页
加入收藏
站内搜索
今天是:
首页
关于智壮
安防技术
监控产品
客户案列
软件
招聘
车牌识别系统
留言
新闻分类
柯桥监控安装
绍兴监控安装
绍兴装监控
推荐新闻
·海康威视监控主机如何修改通道名
·钉钉人脸门禁接线教程图解
·手机萤石云监控如何修改密码
·车牌识别系统地感线圈地感器接线
·监控录像在电脑上用什么软件查看
·监控交换机怎么选?
·绍兴柯桥越城安装监控要多少钱?
·监控画面有死角如何解决?
·家装安防防盗设备的重要性是什么
·智慧城市 借助大数据实力给城市"
·企业政府通力合作 互联网智慧城市
·IC卡与ID卡的区别
当前位置:
首页
>
安防技术
>
绍兴监控安装
> 查看新闻
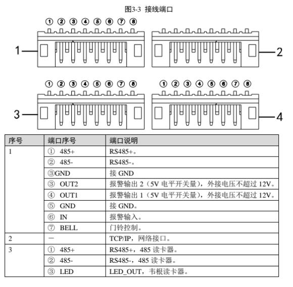
大华DH-ACS5231_门禁一体机接线图解教程
绍兴装监控:shaoxing.hz265.com 来源:绍兴监控安装 发表时间:2022/3/9 9:32:48 点击:3114
今天绍兴监控安装为大家搜集整理了一下关于大华DH-ACS5231_门禁一体机接线图解教程的资料希望对广大网友有所帮助,具体详情请见下图;
上条绍兴监控新闻:
大华DH-ACS5251门禁控制器接线图解教程
下条绍兴监控新闻:
大华DH-ASI7213X-C人脸门禁一体主机接线图解教程
浙ICP备15015651号-2
访问量:6479541